TC4056A富滿SOP8/DIP8封裝 4.2V 鋰電池恒流恒壓充電器芯片IC
SOP8/DIP8封裝 4.2V
SOP8/DIP8封裝 4.2V
TC4056A是一款完整的單節鋰離子電池采用恒定電流/ 恒定電壓線性充電器。其底部帶有散熱片的ESOP8/DIP8 封裝與較少的外部元件數目使得TC4056A成為便攜式應用的理想選擇。TC4056A可以適合USB電源和適配器電源工作。
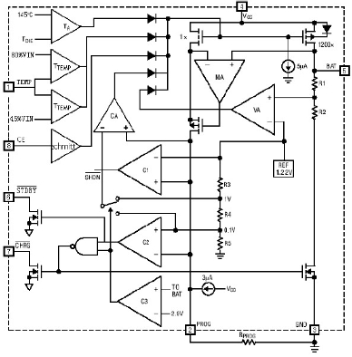
由于采用了內部PMOSFET架構,加上防倒充電路,所以不需要外部隔離二極管。熱反饋可對充電電流進行自動調節,以便在大功率操作或高環境溫度條件下對芯片溫度加以限制。充電電壓固定于 4.2V,而充電電流可通過一個電阻器進行外部設置。當充電電流在達到最終浮充電壓之后降至設定值 1/10 時,TC4056A 將自動終止充循環。內部框架圖如下所示

當輸入電壓(交流適配器或 USB 電源)被拿掉時,TC4056A 自動進入一個低電流狀態,將電池漏電流降至2uA 以下。TC4056A 在有電源時也可置于停機模式,以而將供電電流降至 55uA。TC4056A 的其他特點包括電池溫度檢測、欠壓閉鎖、自動再充電和兩個用于指示充電、結束的 LED 狀態引腳。
高達 1000mA 的可編程充電電流
無需 MOSFET、檢測電阻器或隔離二極管
用于單節鋰離子電池、采用 SOP 封裝的完整線性充電器
恒定電流/恒定電壓操作,并具有可在無過熱危險的情況下實現充電速率最大化的熱調節功能
精度達到±1.5%的 4.2V 預設充電電壓
用于電池電量檢測的充電電流監控器輸出
自動再充電
充電狀態雙輸出、無電池和故障狀態顯示
C/10 充電終止
待機模式下的供電電流為 55uA
2.9V 涓流充電器件版本
軟啟動限制了浪涌電流
電池溫度監測功能
采用 8 引腳封裝(ESOP-8,DIP-8)

移動電話、PDA
MP3、MP4 播放器
數碼相機
電子詞典
GPS
便攜式設備、各種充電器