在現代電子設備中,穩定的電源供應是確保設備正常運行的關鍵因素之一。晶豐明源(BrightPower Semiconductor)推出的 BPA8619P 參考設計,為需要 24V/0.8A 電源的設備提供了一個高效、可靠的解決方案。本文將從產品特點、電源規格、電路圖、BOM(物料清單)、電路實物圖以及變壓器規格書等多個方面,深入剖析 BPA8619P 參考設計的亮點與優勢。
BPA8619P 作為一款高性能的電源管理芯片,其產品特點體現了晶豐明源在電源技術領域的深厚積累與創新能力。首先,該芯片具備 700V 的高耐壓能力,這意味著它能夠在寬廣的輸入電壓范圍內穩定工作,輕松應對各種復雜的電網環境,無論是常見的 115V 或 230V 交流輸入,還是電壓波動較大的特殊場景,都能確保電源系統的可靠運行,極大地提高了電源方案的適應性和穩定性。
其次,BPA8619P 采用了先進的 ON/OFF 控制模式,這種控制方式可以根據負載的變化靈活調整開關頻率,從而在不同負載條件下都能實現高效率的功率轉換。在輕載或空載時,降低開關頻率可以有效減少開關損耗,提高電源的待機效率;而在滿載時,又能保證足夠的開關頻率以滿足功率輸出需求,確保電源轉換效率始終保持在較高水平。

此外,BPA8619P 還集成了多種保護功能,如過壓保護(OVP)、欠壓保護(UVP)、過流保護(OCP)以及短路保護(SCP)等。這些保護功能為電源系統提供了全方位的安全保障,能夠在各種異常情況下及時切斷電源輸出,保護電路免受損壞,延長設備的使用壽命,同時也提高了電源系統的可靠性和安全性。
BPA8619P 參考設計的電源規格詳細列出了該電源方案的各項關鍵參數,這些參數是評估電源性能的重要依據。從輸入電壓來看,該電源支持 90V 至 264V 的寬范圍交流輸入,頻率范圍為 47Hz 至 63Hz,這使得它能夠在全球大部分地區的電網環境下正常工作,具有廣泛的適用性。
在輸出方面,BPA8619P 提供穩定的 24V 輸出電壓,輸出電流為 0.8A,能夠滿足多種設備的供電需求。輸出電壓紋波控制在 200mV 以內(在 20MHz 帶寬下測量),這一指標反映了電源輸出電壓的穩定性,較低的紋波意味著電源輸出更加純凈,能夠為敏感的電子設備提供高質量的電源。
滿載效率是衡量電源性能的重要指標之一,BPA8619P 在 115VAC 和 230VAC 輸入時的滿載效率均能達到 82% 以上,這表明該電源在能量轉換過程中損耗較小,能夠高效地將輸入電能轉化為所需的輸出功率,不僅提高了能源利用效率,還能在一定程度上降低電源的發熱量,有助于提高電源系統的穩定性和可靠性。
待機功耗也是現代電源設計中不可忽視的一個參數,BPA8619P 的待機功耗在 230VAC 輸入時不超過 130mW,這一低待機功耗設計符合節能環保的要求,能夠在設備處于待機狀態時最大限度地減少電能浪費。

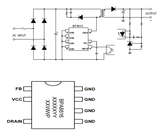
BPA8619P 的電路圖是整個電源方案的核心,它詳細展示了電源電路的各個組成部分以及它們之間的連接關系。從電路圖中可以看出,該電源采用了典型的反激式開關電源拓撲結構,這種結構具有電路簡單、成本較低、易于實現等優點,同時也能滿足較高的性能要求。
電路主要包括輸入整流濾波電路、開關變換電路、反饋控制電路以及輸出濾波電路等部分。輸入整流濾波電路由橋式整流器 DB1 和電解電容 E1 組成,將交流輸入電壓整流為直流電壓,并進行初步濾波,為后續的開關變換提供穩定的直流輸入。
開關變換電路的核心是 BPA8619P 芯片,它通過內部的 MOSFET 開關管在高頻條件下對輸入直流電壓進行斬波,然后通過變壓器 T1 將能量傳遞到副邊。反饋控制電路由光耦 PC817C 和 TL431 等元件組成,用于檢測輸出電壓的變化,并將其反饋到 BPA8619P 芯片的反饋引腳,從而實現對開關頻率和占空比的動態調整,確保輸出電壓的穩定。
輸出濾波電路由電解電容 E3 和 E4 等元件組成,進一步濾除輸出電壓中的高頻紋波,使輸出電壓更加平穩。整個電路的設計巧妙,元件布局合理,充分考慮了信號完整性、電源完整性以及電磁兼容性等因素,確保了電源在高效轉換的同時,能夠滿足嚴格的電磁干擾標準。


電路實物圖是對 BPA8619P 參考設計的直觀展示,它讓工程師和研發人員能夠清晰地看到電源電路的實際布局和元件安裝情況。從實物圖中可以看出,電路板采用了雙面板設計,元件布局緊湊合理,走線清晰規整。
在電路板的正面,主要布置了輸入端的整流橋 DB1、電解電容 E1 以及變壓器 T1 等元件,這些元件的布局充分考慮了電流路徑的合理性,減少了線路阻抗,降低了功耗和發熱。
背面則主要布置了反饋控制電路和輸出濾波電路的元件,如光耦 PC817C、TL431、電解電容 E3 和 E4 等。通過合理的元件布局和走線設計,電路板在有限的空間內實現了高效的信號傳輸和電源轉換,同時保證了良好的散熱性能。
實物圖還展示了電源電路的一些細節設計,如元件之間的間距、焊盤的大小和形狀等,這些細節對于確保電路的可靠性和可制造性至關重要。通過直觀的實物圖,研發人員可以更好地理解和評估 BPA8619P 參考設計的實際可行性,為后續的產品開發和生產提供有力的參考。

變壓器作為反激式開關電源中的核心部件之一,其性能和參數對電源的整體性能有著至關重要的影響。BPA8619P 參考設計中提供的變壓器規格書詳細列出了變壓器的繞制規則、規格參數以及測試要求等信息,為變壓器的定制和生產提供了明確的指導。
從繞制規則來看,變壓器采用了多繞組結構,包括初級繞組 N1、次級繞組 N2、輔助繞組 N3 等,每個繞組的匝數、繞線方式以及使用的線材規格都有嚴格的規定。例如,初級繞組 N1 采用 2UEW φ0.252P 的漆包線,匝數為 20Ts,密繞一層;次級繞組 N2 采用 2UEW φ0.291P 的漆包線,匝數為 35Ts,密繞一層等。
規格參數方面,變壓器的骨架采用 PQ2020 立式結構,磁芯材質為 PQ2020 PC40 或同等材質,有效磁面積 Ae 為 62mm2。初級繞組感量 Lp 要求在 1.7mH±5%(測試條件:0.3V,100kHz),漏感量 Llk 要求控制在初級繞組的 1.5% 以內,這些參數的精確控制對于確保電源的轉換效率和穩定性至關重要。
此外,變壓器規格書還對耐壓測試、絕緣膠帶的使用以及成品要求等進行了詳細說明,如耐壓測試要求為 3KV 2mA 1Min,絕緣膠帶采用 3M900 或同等材質,成品需要浸凡立水等,這些要求進一步保障了變壓器在實際應用中的安全性和可靠性。
BPA8619P 參考設計以其卓越的產品特點、精準的電源規格、巧妙的電路圖設計、精選的 BOM 元件、直觀的電路實物圖展示以及詳細的變壓器規格書,為 24V/0.8A 電源方案樹立了一個高效、可靠、易于實現的標桿。晶豐明源憑借其在電源技術領域的專業實力和創新精神,通過 BPA8619P 參考設計,為電子設備制造商提供了一個理想的電源解決方案,能夠滿足各種對電源性能和可靠性有較高要求的應用場景。