VIPER22A / VIPER12A 統治 5-20 W 適配器市場多年,但進口器件價格高、供貨周期長,讓不少廠商頭疼。深圳市明微電子推出的 SM7022,號稱“PIN-to-PIN 兼容 VIPER 系列,一顆即可直接替換”。本文通過一次真實打樣,驗證它到底能不能“無痛升級”。
? 輸入電壓:85-265 VAC,全球通用
? 固定 60 kHz PWM,EMI 設計簡單
? 集成 700 V 高壓 MOSFET 與啟動電路,無需外置啟動電阻
? 9-39 V 寬 VDD,適配 5 V/9 V/12 V/15 V/24 V 多種輸出
? DIP8 12 W(寬壓)/20 W(高壓),SOP8 5 W/8 W
? 內置 OTP/OCP/OLP/UVLO,可靠性不縮水
? 待機功耗 < 120 mW@220 VAC,滿足 CoC V5 Tier-2
一句話總結:把 VIPER22A 拔下來,SM7022 焊上去,板子照跑。

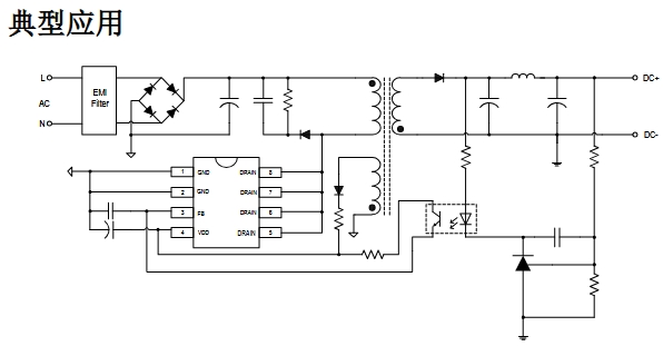
下圖為12V/1A(12 W)通用輸入適配器參考設計

輸入 EMI:共模電感 4 mH + X2 0.1 μF + 2 × Y1 2.2 nF
整流濾波:MB10F 橋堆 + 22 μF/400 V 電解
主功率:SM7022(DIP8)
變壓器:EE16,Np 108T 0.23 mm,Ns 14T×2 0.4 mm,Np:Ns = 7.7:1
漏感 < 60 μH,AE 19 mm2
輸出整流:MBR2045 + 470 μF/25 V 低 ESR
反饋:TL431 + PC817,光耦跨接 FB 腳
VDD 電容:10 μF/50 V 陶瓷 + 100 μF/25 V 電解
補償:FB 腳 100 nF + 4.7 kΩ 串聯,斜率補償已內置于芯片
原 VIPER22A 板子,輸出 12 V/1 A,效率 79.2 %@230 VAC。
直接拆下 VIPER22A,焊 SM7022,通電即啟機,空載功耗從 135 mW 降到 98 mW。
滿載 12 W 運行 2 小時,DIP8 芯片表面溫升 55 K(室溫 25 ℃),無需額外散熱片。
EMI 測試:傳導余量 > 6 dB,輻射 30-300 MHz 無超標。
關鍵波形
? Drain 電壓:最高 560 V(漏感尖峰),VIPER22A 原板 580 V,略優
? CS 腳電流檢測:斜率補償平滑,無次諧波振蕩
| 器件 | VIPER22A 方案 | SM7022 方案 | 差額 |
|---|---|---|---|
| 主芯片 | 0.42 USD | 0.25 USD | -0.17 |
| 啟動電阻 | 2 × 1 MΩ 0.01 | 省掉 | -0.01 |
| 散熱片 | 小鋁片 0.05 | 無 | -0.05 |
| 合計 | 0.48 USD | 0.25 USD | -47 % |
FB 腳耐壓 5.5 V,光耦上拉電阻別過小,否則易觸發 OLP。
DIP8 12 W 以上建議在 PCB 背面鋪銅 400 mm2 當散熱片,溫升可再降 8-10 K。
高壓啟動已集成,切勿再并電阻,否則待機功耗反而升高。
若需 20 W 輸出(230 VAC 專用),把變壓器改為 EE19,次級線徑 0.5 mm 即可。

一顆 SM7022,讓舊板煥發新生:
? 不換變壓器、不改走線,10 分鐘完成替換;
? 效率提升 1-2 個點,待機功耗滿足最新能效法規;
? BOM 成本砍半,交期從 12 周縮短到 2 周。
下次再聽到客戶抱怨 VIPER 缺貨,直接把 SM7022 丟過去——國產替代,真香!