在現代電子設備中,穩定且高效的電源方案是確保設備正常運行的關鍵。LP3715C+SS560組合的12V1A電源方案是一種高性能的電源適配器設計,它能夠為各種電子設備提供穩定可靠的電源。本文將詳細介紹該電源方案的原理圖、電路板設計以及實物特點。
LP3715C是一款高效的PWM控制器,與SS560同步整流器搭配使用,可以提供高達86.7%的效率。這意味著在115VAC輸入電壓下,整個電源方案的轉換效率非常出色,有助于減少能源浪費和降低運行成本。
該電源方案設計用于接受90至265VAC的輸入電壓,覆蓋了全球大多數地區的市電標準,使其具有很好的通用性。
在恒壓模式下,輸出電壓在11.4V至12.6V之間,而在恒流模式下,輸出電壓最低可至6.9V。這種設計確保了在不同負載條件下,輸出電壓都能保持穩定。
LP3715C提供了過流保護功能,當輸出電流超過1.1A至1.8A時,電源會自動重啟,以保護電路不受損害。

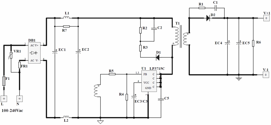
LP3715C+SS560電源方案的原理圖展示了一個典型的開關電源設計,包括PWM控制器、同步整流器、保險絲、電阻、電容、二極管、電感和變壓器等關鍵組件。以下是一些主要組件的功能:
LP3715C:作為PWM控制器,負責調節輸出電壓和電流。
SS560:同步整流器,提高電源效率。
保險絲:提供過流保護。
電阻和電容:用于電壓分壓、濾波和穩定電路。
二極管:用于整流和保護。
電感和變壓器:用于能量存儲和轉換。

電路板的布局設計合理,確保了良好的散熱性能和電氣性能。關鍵組件如LP3715C和SS560被放置在易于散熱的位置。
電路板上使用了高質量的元件,如貼片電阻、電解電容、貼片二極管和高壓瓷片電容,這些元件的選用有助于提高電源的穩定性和可靠性。
電路板設計符合IEC950和UL1950 Class II安全標準,確保了產品的安全性。

測試報告顯示,LP3715C+SS560電源方案在不同負載條件下都能保持高效率和穩定的輸出電壓。在滿載條件下,輸出電壓的紋波和噪聲控制在250mV以下,符合設計要求。此外,電源方案還通過了EMI測試,滿足了CISPR22B / EN55022B標準。
LP3715C+SS560 12V1A電源方案是一個高效、穩定且安全的電源解決方案,適用于各種電子設備。其原理圖和電路板設計都體現了高標準的工程實踐,確保了電源方案的高性能和高可靠性。無論是對于設計工程師還是最終用戶,這都是一個值得信賴的選擇。